Minuterie Electrique Fonctionnement
Une installation électrique est un ensemble cohérent de circuits électriques, d'appareillages électriquesElle peut se situer dans un bâtiment ou un ensemble de bâtiments à usage d'habitation, industriel, commercial, ou de bureaux L'étude de l'installation électrique est faite par un architecte ou un bureau d'étude ou une entreprise d'installation et de maintenance en électricité.
Minuterie electrique fonctionnement. Composantes et fonctionnement d’une minuterie électrique Fonctionnement d’une minuterie Avant de pouvoir réaliser un branchement minuterie, il est essentiel de bien connaître le fonctionnement de cet appareilEn effet, les minuteries étaient auparavant disposées dans des boîtiers métalliques et fonctionnaient grâce à un électroaimant et une horloge. Réponse avec 123elec !. Un interrupteur minuterie est une commande permettant de programmer une durée limitée pour le fonctionnement de l’éclairage Une fois le bouton pressoir actionné, la lumière reste allumée pendant un temps prédéfini, qu’il est possible de changer.
Le NE555 (plus couramment nommé 555) est un circuit intégré utilisé pour la temporisation ou en mode multivibrateur monostable et astable Le NE555 a été créé en 1970 par Hans R Camenzind 1 et commercialisé en 1971 réf nécessaire par Signetics (maintenant NXP Semiconductors)Ce composant est toujours utilisé de nos jours en raison de sa facilité d'utilisation, son faible. Minuterie électronique à base de CD4060 10 286 vues Multiplicateur de tension 2x, 3x, 4x 9 815 vues NE555 caracteristiques techniques, brochage, sch 9 274 vues. Les cheminées décoratives Chemin’Arte sont conçues pour vous apporter confort et plaisir sans avoir à vous soucier de l’entretien ou de la sécurité de votre cheminée En effet, après une installation rapide (15 minutes environ), vous pouvez profiter d’un authentique moment de détente au coin du feu.
Les disjoncteurs sont installés dans un tableau électrique pour assurer la protection des circuits électriques d'un bâtiment mais, comment fonctionne un disjoncteur magnétothermique et qu'estce que c'est ?.

Le Blog Travaux Maison Pour Tous Schema Electrique De La Minuterie

Minuterie Electrique Types Prix Ooreka

T P N 2 Telerupteur Minuterie Deroulement De La Seance Titre Activites Prof Activites Eleves Moyen Duree Lancement Du T P Pdf Telechargement Gratuit
Minuterie Electrique Fonctionnement のギャラリー

Rechercher Les Fabricants Des Minuterie Moteur Electrique Produits De Qualite Superieure Minuterie Moteur Electrique Sur Alibaba Com

Decorations De Noel Sapins Del Guirlande Electrique Avec 50 Del Et Minuterie Fonctionnement Sur Batterie Jumpownia Pl

Fonctionnement Du Timer 555 Polygone

Schema Electrique Branchement Cablage

Minuterie 4 Fils Gif 1600 1117 Electrical Installation Electricity Electrical Wiring

Seb04 Les Schemas Electriques De Base Du Batiment Avec Explication De Fonctionnement E Genieclimatique Com

Seb04 Les Schemas Electriques De Base Du Batiment Avec Explication De Fonctionnement E Genieclimatique Com

Minuterie Hager 16a 1f Monophasee Emn001 123elec Com

Reglage Du Thermostat Raccordement Electrique Chauffage Force Par Minuterie Radson Confort Pilot User Manual Page 3 8

Schema Et Branchement D Un Bouton Poussoir Lumineux Sans Neutre

Schema Electrique De La Minuterie 4 Fils Youtube

Principe De Fonctionnement D Une Minuterie
Minuteur Decompteur Avec Afficheurs 7 Segments Iodurevideos
Pedagogie Ac Reunion Fr Fileadmin Annexes Academiques 03 Pedagogie 03 Lycee Post Bacalaureat Sti Postbac G Electrotechnique Cap Pro Elec Docs Villa Lepervanche Tp5 Maintenance Telerup Minuterie Pdf

Minuterie Lexman 230 V 16 A Leroy Merlin

Panne Electricite Conseils Des Bricoleurs Comment Peut On Verifier Si Une Minuterie Fonctionne

Minuterie 500w Sans Neutre Temporisez L Eclairage Des Zones De Passage

Schema Branchement Cablage Minuterie Youtube

Principe De Fonctionnement De Minuterie Sans Effet Et Avec Effet Cours D Electromecanique

Allumage Par Minuterie Line Chart Chart Floor Plans

Installation Gache Electrique Avec Minuteur

Seb04 Les Schemas Electriques De Base Du Batiment Avec Explication De Fonctionnement E Genieclimatique Com

Le Schema De La Minuterie Electrique
Probleme Minuterie Hager Et Boutons Poussoirs

Branchement Minuterie Schema De Cablage Circuit Electrique Schema Branchement Cablage

Decorations De Noel Sapins Del Guirlande Electrique Avec 50 Del Et Minuterie Fonctionnement Sur Batterie Jumpownia Pl

Le Telerupteur Schema Symbole Plan Et Cablage Electrique

Le Telerupteur Schema Symbole Plan Et Cablage Electrique

Volta Electricite Installer Une Minuterie

Prise Connectee 3680w 16a Commande Vocale Commande A Distance Prise Programmable Avec Minuterie Prise Intelligente Wifi Fonctionne Avec Amazon Alexa Echo Echo Dot Google Home Ifttt 4pcs Amazon Fr Luminaires Et Eclairage

Minuterie Integree Au Tableau Schema De Branchement

Horloge Sonnerie Et Minuterie Pour Tableau Electrique

Minuterie Escalier Le Comparatif Pour 21 Brico Electricite

Exercice I Principe De Fonctionnement D Une Minuterie

Disjoncteur Minuterie Pour 21 Faites Une Affaire Brico Electricite
Pedagogie Ac Reunion Fr Fileadmin Annexes Academiques 03 Pedagogie 03 Lycee Post Bacalaureat Sti Postbac G Electrotechnique Cap Pro Elec Docs Villa Lepervanche Tp4 Bois Minuterie Pdf

References References Pour La Commande

Minuterie Legrand 230 V 16 A Leroy Merlin
Minuteur Timer Longue Duree A Pic 16f84a 16f628a

Legrand Minuterie Lexic 16 A 230 V 50 60 Hz
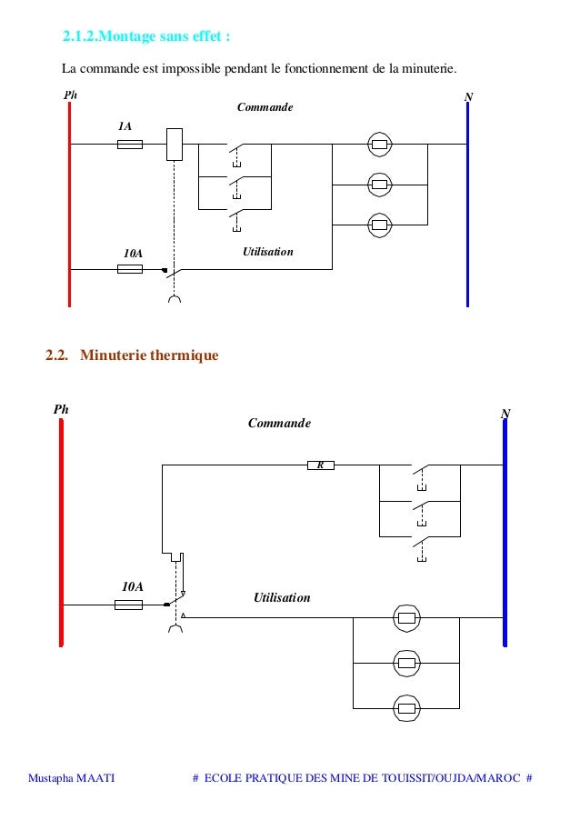
2

Le Telerupteur Schema Symbole Plan Et Cablage Electrique

Poser Soi Meme Une Minuterie Sur Un Tableau Electrique

Resi9 Ih Inter Horaire Journalier Reserve De Marche 100h Professionnels Schneider Electric France

Question Electricite Schema Minuterie Mur3 Avec Poussoir Pour Fonctionnement Limite

Technicien Khouribga Le Schema De La Minuterie Electrique

Radiateur Electrique Cecotec Metteur Thermique Ready Warm 800 Thermal 4 L Ments 3 Modes De Fonctionnement Minuterie T L Commande Sans Fil Cran Led 600 W Darty

Schema Electrique Du Minuterie Schema Electrique

Minuterie 00w Avec Neutre Temporisez L Eclairage Des Partie Communes
/wedata%2F0025156%2F2011-05%2Fprogrammateur.jpg)
Comment Fonctionne Un Minuteur Electrique Guide Pratique

Schema Electrique Www Cours Online Com

Relais Temporise Modulaire Multifonctions Nfc Horloge Minuterie Sonnerie Chez Bis Electric

Sur Minuterie Interrupteur Hebdomadaire 12v Dc 16a Lcd Equipements Electriques Achat Prix Fnac

Prise De Courant Programmable Avec Minuterie Integree Pour Fonction Minuteur Ou Demarrage Decalle

Schema Electrique Branchement Cablage

Que Faut Il Faire Quand Un Interrupteur Ne Fonctionne Plus Ou Pas Espace Grand Public Legrand

Horloge Minuterie Telerupteur Electricite Linternaute Com

Minuterie Emn001 Hager Simple Temporisation Vis Electricite Vibert Electrique

Acti9 Min Minuterie Reglable De 1 7 Minutes Professionnels Schneider Electric France

Circuit Rc Fonctionnement D Une Minuterie Parlons Cd Etude D Un Produit Menager D Apres Bac Polynesie 05

Allumage Par Minuterie Electricite Generale Schema Electrique Electricite

Lcd Minuterie Programmateur Horaire Electrique Hebdomadaire Numerique Timer Interrupteur 15a 2v Amazon Fr Bricolage

Minuterie 16a Legrand 6123 Electricite Eclairage L Entrepot Du Bricolage

Guillouard Sterilisateur Electrique Avec Minuterie 32l 3000w Vente Petit Electromenager Et Gros Electromenager
Hager Emn001 Minuterie Simple Temporisation Rexel France

Minuterie Electronique A Base De Cd4060 Zonetronik

Qu Est Ce Qu Un Interrupteur Minuterie Et Comment S En Servir Espace Grand Public Legrand

Minuterie De Degivrage Refrigerateur Minuterie Frigo Mister Pieces

Chauffe 1800w Economie D Energie Electrique Etanche Chauffe 8h Minuterie Fonctionnement De La Telecommande Reglage De La Vitesse 3 Amazon Fr Cuisine Maison

Question Branchement Electrique Brancher Minuterie Theben Elpa 8 Sans Bp

Manuel De Reparation De La Toyota Prius 18 Signal De La Performance De La Minuterie Ecm Pcm De Moteur Coupe Invalide P P Systeme Sfi

Comment Raccorder Un Bouton Poussoir 123elec Com

Le Schema De La Minuterie Electrique

Radiateur Electrique Cecotec Metteur Thermique Ready Warm 1800 Thermal 8 L Ments 3 Modes De Fonctionnement Minuterie T L Commande Sans Fil Cran Led 10 W Darty

Minuterie Interrupteur Horaire Et Horloge Modulaire 123elec Com

Minuterie Pour Prise Electrique Numerique Avec Petit Ecran Minuterie Murale Ue Us Uk Br Fr Au Aliexpress

Schema Electrique Branchement Cablage
1

Tp N 3 Montage Telerupteur Montage Minuterie Pdf Telechargement Gratuit

Circuit Rc Fonctionnement D Une Minuterie Parlons Cd Etude D Un Produit Menager D Apres Bac Polynesie 05

Le Schema De La Minuterie Electrique

Le Couteau Suisse De L Electricien Realiser Un Montage Minuterie

Legrand Minuterie Multifonction 16a 230v Achat En Ligne
Sitelec Org Download Php Filename Cours Descombes Minuterie Pdf

Montages De La Categorie Electronique De Puissance

Schema De Raccordement De La Minuterie 3 Fils Electrical Installation Electrical Wiring Electricity

Schema Electrique Www Cours Online Com

Probleme Minuterie Avec Ampoules Economiques Bricovideo Question Electricite

Froid Et Climatisation Refrigerateur Electrique

Telerupteur Silencieux Legrand Telerupteur Temporise Legrand Minuterie Eclairage Legrand

Schema Electrique Branchement Cablage

Installer Un Minuteur Electrique Modulaire Castorama Youtube

Radiateur Soufflant Machine A Cafe Ou A Laver Etc Ansmann Aes1 Prise Electrique Avec Minuterie Le Temps De Fonctionnement Peut Et Prise Econome En Energie Avec Minuterie Pour Appareils Menagers Electricite

Electronique Realisations Minuterie 001

Minuterie Programmateur Electrique Sur Chauffe Eau La Solution Simple Rapide Et Economique Sans Contraintes Horaires Sans Double Compteur Sans Gros Ballon changer de Job En 21

Fonctionnement Prise Programmable Rue Du Commerce

Minuterie 00w Avec Neutre Temporisez L Eclairage Des Partie Communes

Fonctionnement Prise Programmable Rue Du Commerce