Brushless Dc Motor Controller Circuit Diagram

Brushless Dc Motor Control With Pic16f7 Microcontroller

Designing A Mcu Driven Permanent Magnet Bldc Motor Controller Part 2 Embedded Com

Bldc Motor Driver Circuit Engineering Projects
Brushless Dc Motor Controller Circuit Diagram のギャラリー

Bldc Brushless Dc Motor Driver Circuit Using 555 Ic

Brushless Dc Motor Driver Bldc Motor Full Diy Project

Bldc Motor Control Algorithms Renesas

Anaheim Automation Thousands Of Bldc Motors In Stock At Low Prices

The Design Of Motor Drive For Brushless Dc Motor Intechopen

Cd Rom Sensored Bldc Motor Control With Arduino Simple Projects

Dc Motors And Stepper Motors Used As Actuators

Pin On Arduino Rs

Brushless Dc Motor Driver Bldc Motor Full Diy Project

Sensorless 3 Phase Bldc Motor Pre Driver Ic Tb9061afng Toshiba Electronic Devices Storage Corporation Europe Emea

Brushless Dc Motor Control Circuit Under Motor Control Circuits Next Gr

Why And How To Control Brushless Dc Motors Digikey

Sensored Brushless Dc Bldc Motor Control With Pic16f877a Microcontroller

Amazon Com Tdpro 48v 1800w Brushless Electric Motor Controller Kit For Go Kart Scooter E Bike Motorized Bicycle Atv Moped Automotive

Basics Of Brushless Dc Motors Bldc Motors Construction Working

Ucc2626 Datasheet Pinout Application Circuits Brushless Dc Motor Controller

Sensorless Bldc Motor Driver Circuit Homemade Circuit Projects

An Introduction To Brushless Dc Motor Control

What Is Brushless Dc Motor Bldc And How To Control Bldc Motor With Arduino

3 Phase Brushless Dc Motor Driver Ics Industrial Devices Solutions Panasonic

Pn 12c Brushless Bldc 12v Motor Driver Speed Controller 17a Makermotor

How To Build A High Torque Dc Motor Speed Controller Circuit Bright Hub Engineering

Pin On Electronics

The Configuration Of The Prototype Brushless Dc Motor Driver Download Scientific Diagram

Bld500 48v 500w Bldc Motor Driver Robotdigg

Brushless Dc Motor Speed Control Using Microcontroller Semantic Scholar

How To Power And Control Brushless Dc Motors Digikey

China 48w Brushless Dc Motor Driver Circuit For Ventilation System China Bldc Motor Controller Circuit Diagram Brushless Dc Motor

Electronica Projects

Application Notes And Circuits For Variable Speed Brushless Dc Motor Pre Drivers

How To Easily Design Sinusoidal Sensorless Control For 3 Phase Bldc Motors Industrial Technical Articles Ti E2e Support Forums

Dc Motor Speed Controller Detailed Circuit Diagram Available

How To Power And Control Brushless Dc Motors Digikey

Avr493 Reference Design Dc Motor Control Arrow Com

Bldc Motor Driver Circuit Engineering Projects

Arduino Brushless Motor Control Tutorial Esc Bldc Howtomechatronics

Brushless Controller Schematic Brushless Motors 3phase Inverters Schematics

Mp6535 5v 55v 3 Phase Bldc Motor Pre Driver With Hall Input And Buck Regulator Mps

Basics Of Brushless Dc Motors Bldc Motors Construction Working
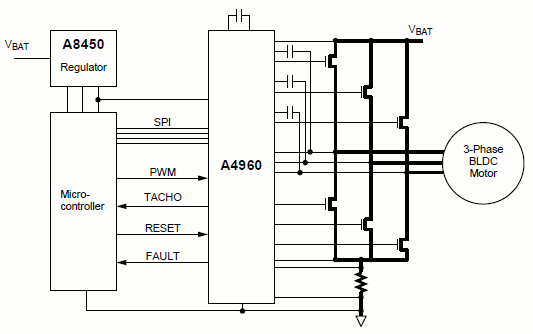
Allegro Microsystems 960 Sensorless Bldc Controller

Brushless Dc Motors Applications Advantages And Controlling Ele Times

Bldc Motor Control Using Pic16f877a And L293d

Discrete Time Brushless Dc Motor Current Pi Controller Simulink

Lv5x Brushless Dc Motor Controllers On Semi Mouser

Electrical Brushless Dc Motor Introduction Working And Applications

Introduction To Brushless Dc Ec Motor And Gearmotor Technology Bodine Gearmotor Blog

Can Anyone Tell Me How To Find The Controller Circuit Diagram For A Brushless Dc Motor

Hdd Bldc Motor

All About Bldc Motor Control Sensorless Brushless Dc Motor Controllers Technical Articles

Sensorless Bldc Motor Controller Using Pic18f4550 Microcontroller

Home Made Bldc Hub Motor Controller Project Ev Wiring Diagram Schematic Youtube

Pin On Motors

Schematic Diagram Of A Three Phase Bldc Motor Drive Download Scientific Diagram

12v 24v Pwm Motor Controller Circuit Using Tl494 Irf1405

All About Bldc Motor Control Sensorless Brushless Dc Motor Controllers Technical Articles

What Is Brushless Dc Motor Bldc Construction Working

Updated Brushless Controller Schematic 15 Brushless Motors 3phase Inverters Schematics

Brushless Motors Bldc Motor Sensorless Motor Motor Controllers Foc Controller Field Oriented Control Brushless Motor Controller Bldc Controller Axial Flux Brushless Motor Axial Flux Pm Motor

Dc Motor Control For Brushed Motors Brushed Dc Motors Drivers Microchip Technology

Electrical Brushless Dc Motor Introduction Working And Applications

How To Build A 3 Phase Brushless Bldc Motor Driver Circuit

Brushless Dc Motor Control With Arduino And L6234 Driver Simple Projects

Brushless Dc Bldc Motor With Arduino Part 2 Circuit And Software

Hdd Bldc Motor

Using A Brushless Dc Motor With An Rc Esc Mbed

Circuit Diagram Of The Bldc Motor Download Scientific Diagram

What Is Brushless Dc Motor Bldc And How To Control Bldc Motor With Arduino

Brushless Dc Motor Controller Youtube

Njw4303 3 Phase Brushless Dc Motor Controller

Balancing The Tradeoffs In 3 Phase Bldc Motor Control Designs New Techeurope

3 Phase Brushless Dc Motor Driver Ics Rated To 30a At 600v New Industry Products

Speed Response Of Brushless Dc Motor Using Fuzzy Pid Controller Under Varying Load Condition Sciencedirect

Electric Drives Brushless Dc And Reluctance Motors Description And Applications

Brushless Dc Motors Introduction For Next Generation Missile Actuation Systems Outline Analog Devices

High Current Sensorless Bldc Motor Controller Using Back Emf Homemade Circuit Projects

Bldc Brushless Dc Motor Driver Circuit Using 555 Ic

Application Circuit For High Voltage Brushless Dc Motor Fan Drive Toshiba Electronic Devices Storage Corporation Asia English

Sensorless Brushless Dc Motor Control With Z16fmc Eeweb

Bldc Motor Control Without Esc Or Drivers Electronics Forum Circuits Projects And Microcontrollers

Brushless Dc Motor Brushless Dc Bldc Motor Microchip Technology

Dc Motor Speed Controller Circuit Using Ne555

Bldc Motor Rotor Vibrates With Audible High Pitch Beep But Does Not Spin Controlled By Custom Motor Controller Electrical Engineering Stack Exchange

50v 3 Phase Bldc Motor Driver Homemade Circuit Projects

Closed Loop Control For A Brushless Dc Motor Using Pic Microcontroller

Brushless Controller Schematic Brushless Motors 3phase Inverters Schematics

Brushless Dc Motors Part Ii Control Principles Edn

This Topic Shows How To Build A Sensorless Brushless Dc Bldc Motor Controller Or Simply An Esc Electronic Speed Control Arduino Arduino Motor Circuit Design

Brushless Dc Motor Sensoreless Startup Algorithm Electrical Engineering Stack Exchange

72v Brushless Motor Gate Driver E523 50 Sbc Brushless Dc Motor Controller Ic Elmos Semiconductor Se

All About Bldc Motor Control Sensorless Brushless Dc Motor Controllers Technical Articles
Brushless Dc Motor Driver Pdf

How To Build A 3 Phase Brushless Bldc Motor Driver Circuit

Bldc Motor Control Power Electronics And Drives Pantech Blog

Brushless Motors Bldc Motor Sensorless Motor Motor Controllers Foc Controller Field Oriented Control Brushless Motor Controller Bldc Controller Axial Flux Brushless Motor Axial Flux Pm Motor