Laser Driver Board Schematic

Oem 3w Laser Diode Temperature Control

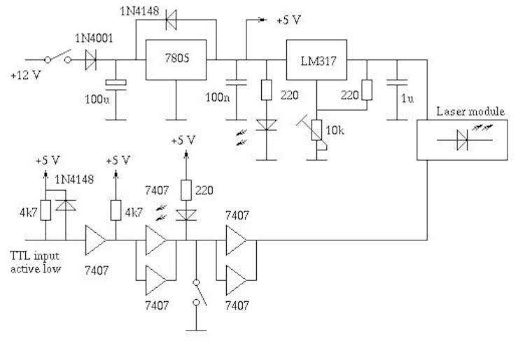
Laser Module Ttl Vs Pwm Issue 13 Openfab Lab Toolsdocs Github

Laser Driver It Can Be Done Rog11 Laser Pointers
Laser Driver Board Schematic のギャラリー

Instructions Yet Another Laser Engraver Cutter Hackaday Io

Die4drive

Sam S Laser Faq Diode Laser Power Supplies

Applied Sciences Free Full Text Charge Line Dual Fet High Repetition Rate Pulsed Laser Driver

Precision Laser Driver Circuit 1 Amp Pcb

Oe System Schematic Laser Diode Driver The Single Board Computer Download Scientific Diagram

Sam S Laser Faq Diode Laser Power Supplies

Laser Diode Driver Schematic

Laser Diode Driver Circuit Diagram

Elm Home Built Laser Projector

50 400ma Lm358 Constant Current Driver 3 5 5 0v Hand Held Lasers And Modules V2 Odicforce
Laser Cutter Guide Smoothieware

Sam S Laser Faq Diode Laser Power Supplies

Laser Diode Driver Based On Lt1121 Voltage Regulator Schematic And Pcb

Short Pulse Laser Diode Sources Enabling Handheld Photoacoustic Devices For Deep Tissue Imaging

Laser Upgrade Documentation And Downloads By J Tech Photonics Inc
3

An Introduction To Laser Diodes Technical Articles

Nanosecond Pulse Laser Diode Driver Ldd 1058b

Wld3343 2 2 A Laser Diode Driver Wavelength Electronics

How To Wire 12v Ttl Step Down Laser Diode Ld Power Supply For Laser Engraver Youtube

Two Watt Blue Laser Driver 445nm Bogin Jr

Page 5 Laser Circuits
Http Www Ti Com Lit Ml Ssqw095 Ssqw095 Pdf

Precision Laser Driver Circuit 1 Amp Pcb
Photoengraving Pcbs Using The Laser Toolhead Diyouware Com
Http Www Ti Com Lit Ml Ssqw095 Ssqw095 Pdf

How To Make A Laser Diode Driver That Enables You To Burn Paper Diode Electronic Schematics Laser

Driving Laser Diodes Comparing Discrete Vs Integrated Circuits Edn

Laser Diode Driver 11 Steps Instructables

Epc9144 15 V High Current Pulsed Laser Diode Driver Demo Board

Laser Diode Driver Boards Odicforce

Laserboard Pinout Or Simplified Schematic Hardware Installation Cohesion3d Community
Constant Current Laser Driver

How To Wire Laser Driver And Mks Sbase 1 3 With Grbl Laser Engravers Cutters Maker Forums

Ttl Modulated Diode Laser Hackster Io

Mini Cnc Laser Engraver Arduino Project Hub

Laser Diode Driver Basics And Design Fundamentals

Switchmode Laser Diode Driver Based On Lt16 Dgk Electronics

Precision Constant Current Laser Drivers

Fiber Laser Diode Driver Seed And Pump Channels Mopa Fiber Laser Diode Driver

Ttl Controlled Laser Diode Driver Updated Schematics

How To Make A Laser Diode Driver That Enables You To Burn Paper 3 Steps Instructables

Drive Electronics For Cw Laser Diodes Laser Diode Accessories

Testing Of A Different Laser Drivers From Ebay Endurancelasers

A Schematic Of A Pulsed Laser Diode Transmitter Based On The Lcr Download Scientific Diagram

Laser Diode Driver Boards Odicforce
Q Tbn And9gcsd6owc9 Uf7bnlnk3aj Toxp1alty7tuztzzbmfxfvsebpemd2 Usqp Cau

9 Driver Laser Ideas Laser Diode Electronics Projects

Sam S Laser Faq Diode Laser Power Supplies

Laser Diode Driver Boards Odicforce

Transient Protection For 0 5w Laser Diode Switching Driver Electrical Engineering Stack Exchange

Professional Driver For Laser Diodes Digital Temperature Controller

Constant Current Laser Diode Driver Circuit Using Opa2350 Opamp Electronics Lab Com

Laser Diode Driver Based On Lt1121 Voltage Regulator Schematic And Pcb

Understanding The Basics Of Laser Diode Drivers Koheron

Q Switch Driver

Laser Diode Driver Circuit Homemade Circuit Projects

Laser Diode Driver Basics Wavelength Electronics

Ramps1 4 Laser Upgrade From J Tech Photonics Inc

Project 450 A 7w Blue Laser Driver

Pulsed Laser Diode Driver Modular And Easy To Use 1 Ns To Cw Pulsed Laser Diode Driver With High Speed Performances

Laser Diode Driver Boards Odicforce

High Current Laser Diode Driver J Tech Photonics Inc

Laser Diode Driver Basics And Design Fundamentals

Laser Diode Driver With Ttl Control Pcb V2 0 Is Ready

Sam S Laser Faq Diode Laser Power Supplies
Dvd Burner Laser Diode Driver Circuit

Precision Laser Driver Circuit 1 Amp Pcb

Laser Diode Driver Boards Odicforce
Q Tbn And9gcrdi8uhzd2iyitnigquw7xyynxglxr4cwwwvqpldg4 Usqp Cau

9 Driver Laser Ideas Laser Diode Electronics Projects

Laser Driver It Can Be Done Rog11 Laser Pointers

Sam S Laser Faq Diode Laser Power Supplies
1

Sam S Laser Faq Diode Laser Power Supplies

Laser Module Ttl Vs Pwm Issue 13 Openfab Lab Toolsdocs Github

Laser Circuit Page 2 Light Laser Led Circuits Next Gr

2w Laser Module Driver Assembly Safety Youtube
Pulsed Laser Diode Driver Circuit Layout For Lidar Pcb Design Blog Altium

A Schematics Of The Howland Laser Driver Circuit B Photograph Of Download Scientific Diagram

Sam S Laser Faq Components Html Photos Diagrams And Schematics

Laser Diode Driver Circuit Diagram

Laser Diode Driver Electronics Lab Com

Laser Diode Driver With Ttl Control Pcb V2 0 Is Ready

Laser Diode Driver At Board Level Up To 1500 Ma With Tec Control Laser Diode Driver Aerodiode
Blue Laser Driver Schematic

How To Make Super Simple Led Driver Or Laser Driver Youtube

About Endurance Mo1 Pcb The Driver Board To Run The Laser From External Power Supply Endurancelasers

Green Laser Power Supply

Laser Diode Driver Basics And Design Fundamentals

Laser Diode Driver Basics Wavelength Electronics

Laser Diode Driver Based On Lt1121 Voltage Regulator Schematic And Pcb

Laser Diode Driver Circuit

About Endurance Mo1 Pcb The Driver Board To Run The Laser From External Power Supply Endurancelasers

1w 1 4w 445nm 450nm Blue Laser Diode Driver Board Circuit 3 7v 9xmm Ebay

Simple Circuit Drives Manages Laser Diode S Output Electronic Design

Laser Diode M140 Current Driver Electrical Engineering Stack Exchange

Tida Nanosecond Laser Driver Reference Design For Lidar Ti Com

Sam S Laser Faq Diode Laser Power Supplies

Lm317 Laser Driver Schematic And Pcb Circuit Projects Electronics Projects Laser